自定中心振动筛标准
QJ/AKJ02.08-89自定中心振动筛和QJ/AKJ02.09-89自定中心振动筛。自定中心振动筛用途及特点
SZZ型自定中心振动筛运动轨迹为圆,全系列共有十种规格,可供煤炭、冶金、建材、化工等部门,对中小粒度的物料进行干式分级。筛机结构简单,坚固可靠,维修方便,效率高。

自定中心振动筛选用须知
——筛机分单层和双层,除了SZZ1800×3600振动筛外都为吊式。——筛网结构有编织网和冲孔筛板。
——电动机可安装在左侧或右侧,无特殊要求按安装图安装。
——电动机额定电压为380V,可选用防爆电机或不同额定电压的电机,如选用请在订货时注明。
——基础螺栓由用户自备。
产品型号示例

自定中心振动筛技术参数
SZZ型自定中心振动筛技术性能及参数


注:表中处理量是依据松散密度0.9t/m3的煤,按上层筛面大和小筛孔进行干式分级给定的,物料中小于筛孔尺寸之半的颗粒含量占40%,大于筛孔尺寸的颗粒含量占25%,筛分效率为90%。表中凡重量低于2t的筛机大拆分件均没列出。
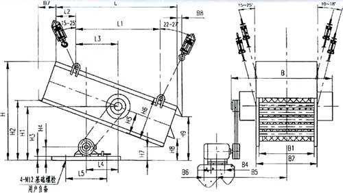
六、安装尺寸:

图1 SZZ800×1600及SZZ2800×1600自定中心振动筛安装尺寸
| L | L1 | L2 | L3 | L4 | L5 | H | H1 | H2 | H3 | H4 | H5 | H6 | H7 | H8 | H9 | B | B1 | B2 | B3 | B4 | B5 | B6 | B7 | B8 | ||
| SZZ800× 1600 | 1990 | 1352 | 616 | 676 | 620 | 454 | 1110 | 620 | 700 | 25 | 145 | 160 | 425 | 280 | 483 | 1328 | 800 | 868 | 1042 | 140 | 801.5 | 187 | 110 | 67 | |||
| SZZ2800× 1600 | 1743 | 1217 | 284 | 608 | 460 | 454 | 1345 | 830 | 765 | 25 | 145 | 300 | 600 | 320 | 433 | 740 | 1328 | 800 | 888 | 1042 | 140 | 826.5 | 187 | 155 | 67 |
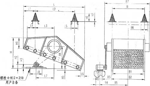
图5 SZZ21500×3000自定中心振动筛安装尺寸

图6 SZZ21500×4000自定中心振动筛安装尺寸
图7 SZZ1800×3600自定中心振动筛安装尺寸