江苏振强机械科技股份有限公司 >> 产品中心 >> 破碎机一号彩票 >> 细碎鄂式破碎机(PEX型)
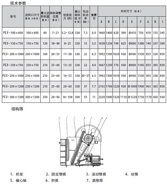
细碎鄂式破碎机广泛运用于矿山、冶炼、建材、公路、铁路、水利和化学工业等众多部门,破碎抗压强度不超过320兆帕的各种物料。
一号彩票 1、在主机吊装过程中发生侧翻,使偏心轴单边受力弯曲; 2、被破碎物硬度超过产品使用说明书规定; 3、颚式破碎机主机长期超负运转; 4、肘板不符标准,非破碎物进入破碎腔时起自断保护作用; 5、偏心轴热处理不当,应力集中,造成短期内断裂。 1、更..
© 2022 江苏振强机械科技股份有限公司 技术支持: